Application Story: Plastics Processing
Automation of an injection blow molder for the production of driveshaft boots
- Intuitive operation with touch screen
- Control of all processing sequences
- Special control algorithms for electro-hydraulic drives
- Continuous controllers for speed, position, r.p.m., pressure
- Switching controllers for temperatures
- CANbus with CANopen protocol PMA
Overview
The manufacture of products such as CV joint boots, steering rack boots, and other tubular products with varying diameters places high demands on precision. Used in the automotive industry, these products are subjected to continuous dynamic loading, and must withstand a wide range of road and weather conditions.
The mechanical forces acting on these components, plus large temperature variations and contamination from oil, tar, salt, and brakepad dust require top quality materials and exact production methods.
Implementation
An ingenious operating philosophy using the IQT 705 with touch screen results in clear and intuitive machine operation. Simply by touching the corresponding symbol on the active colour TFT display, the operator is able to switch motors and heating zones on and off, select a different operating mode or a particular function. Similarly, all process values as well as texts can be entered via the screen at the touch of a finger.
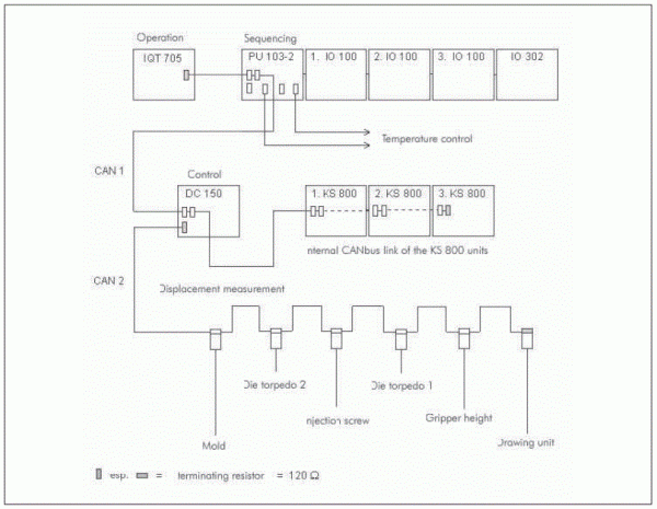
For further processing, these data are transmitted to the various slave devices via the CANbus and CANopen protocol (Fig. 1). Each of the slave devices in PMA’s extremely flexible and powerful P-open system performs its specific task, resulting in an overall solution that is matched precisely to the application.
Figure 1: Diagram of the P-open system interfacesproduction phase
For the automation of the Ossberger SB2/60 injection blow molder with PMA’s P-open system, great importance was attached to the special control algorithms for electro-hydraulic drives. The speed controllers for the individual axes work with a predefined rate time, and the acceleration and braking functions are displacement-dependent. The programmers used for theses purposes have various characteristics such as linear, sinusoidal or profiled. Numerous position, pressure, and speed controllers are used.
Figure 2: Front view of Ossberger PRESSBLOWER - SB2/60
A combined pressure and speed controller with bumpless switchover is active during the initial production phase. In addition, a master/slave synchronization controller for several axes ensures a precise parison profile. Temperatures are maintained accurately by means of two-point and three-point stepping controllers.
Together, all these control functions result in a high and reproducible product quality, and fully satisfy the demanding requirements for utmost precision. The automatic optimization of screw speed and profiling speed (100 segments) greatly simplify the manual adjustment of mutually independent process sequences. For example, if a speed profile is changed, any other dependent speed profile is adapted automatically.
Additional monitoring and control functions such as the automatic weighing of the finished components on a precision scale are an important contribution towards reject detection, and therefore overall quality assurance. After power-up, the Ossberger injection blow molder SB2/60 (Figs. 2 and 3) first goes to the starting condition. This includes the plastification stage, so that the heated and homogenized melt is available in the screw barrel.
Figure 3. Ossberger PRESSBLOWER - SB2/60 in operation
Outcome
Subsequently, the automatic program executes the following 4 stages in sequence:
- Stage 1:Bringing the mold into position and injecting the head part
- Stage 2:Press-drawing the parison whilst controlling wall thickness and speed
- Stage 3:Blowing the hollow preform
- Stage 4:Cutting off the bottom rest





